付録1、『Hydrophobic Interaction and Reversed Phase Chromatography Principles and Methods』(PDF)、(GE Healthcare、2014年)から抜粋
配位子が担体の疎水性度に大きく影響する一方で、マトリックスも最終的な選択性に影響する可能性があります。疎水性相互作用クロマトグラフィー担体は、物理的安定性と厳しい洗浄条件に対する化学的耐性、および低レベルの非特異的相互作用を特長とする多孔質マトリックスでできています。
マトリックス
多孔率と粒径の最適なバランスをとることにより、配位子で覆われた表面積が大きくなり、高い結合容量が得られます。貫通孔構造による高い多孔率は、大きな生体分子を分離する場合に有利となります。
- 不活性なマトリックスは、サンプル成分との非特異的相互作用を最小限に抑えます。
- 物理的安定性が高いため、塩濃度やpHが極端に変化しても、充填した担体の容量は一定に保たれます。これにより再現性が向上し、カラムを充填しなおす必要がなくなります。
- 高い物理的安定性と粒径の均一性により、特に洗浄や再平衡化のステップを高流量でおこなうことができるため、スループットと生産性が向上します。
- 化学的安定性が高いため、必要に応じて強力な洗浄液を使用できます。
- 最新のHIC担体は、ポリマーベースやアガロースベースのマトリックスを使用して、化学的・物理的安定性、高結合容量、粒径のバラエティーに対する要望にお応えしています(表1)。
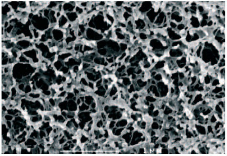
SOURCE™マトリックスは、ポリスチレンとジビニルベンゼンからつくられた、球状性の高い単分散の小粒径(15 µm)多孔質粒子(図1)です。高流量でも高い分解能を発揮します。

図1.SOURCE™の球状・単分散性を示す電子顕微鏡写真。
Sepharose®マトリックスは、親水性アガロース鎖を束化したもので、鎖間の架橋度が異なるタイプがあります(図2)。これにより高容量で非特異的結合度が低く、様々な物理的強度・マクロ多孔性をもつマトリックスが得られます。必要な分離能、結合容量、流量に応じて、最適なマトリックスを選択できます。たとえば、Sepharose® High Performance(34 µm)のグラジエント溶出では高分離能が得られるのに対し、粒径の大きいSepharose® Fast Flow(90 µm)は、高流量での大容量ステップワイズ溶出に最適です。

図2.架橋アガロース担体(Sepharose®)の構造。
フェニルやオクチル配位子を導入したSepharose® CL-4Bをはじめ、HIC担体用のさまざまなマトリックスは長年にわたって使用されており、引用文献は今後も増えるものと予想されます。一方で、最近開発されたマトリックスは、物理的・化学的安定性がより優れています。新しい担体の適用可能性をテストし、今までのプロトコルを再検討することで、分離が大幅に速くなり、パフォーマンスが向上する可能性があります。
配位子と置換度
配位子の種類およびクロマトグラフィーマトリックスにおけるその置換度もまた、担体の最終的な疎水性、ひいては選択性にかかわります。図3は、同じSepharose® Fast Flowマトリックスで分離したタンパク質混合物の例ですが、配位子条件はフェニル(高置換度)、フェニル(低置換度)、ブチル、オクチルと異なります。

図3.配位子の種類と密度の違いは、HIC担体の選択性に影響します。
HIC担体の結合容量は、配位子密度がある一定のレベルまで上昇すると増加します。
同時に、相互作用が強くなり、結合成分の溶出が困難になることがあります。この場合、同じ配位子でより低密度のもの、たとえば、Phenyl Sepharose® 6 Fast Flow(高置換度)ではなくPhenyl Sepharose® 6 Fast Flow(低置換度)を選ぶと、問題が解決する可能性があります。図3aおよび3bは、担体の配位子密度の違いが選択性にどのように影響するかを示しています。
最も一般的な疎水性配位子を表2に示します。一般に、HIC担体は、サンプル成分との相互作用に応じて、2つのグループに分類されます。直鎖アルキル鎖(ブチル、オクチル、エーテル、イソプロピル)は、「純粋」な疎水性を示します。一方、アリール配位子(フェニル)は、芳香族相互作用と疎水性相互作用の両方、および電荷の欠如が最終的なクロマトグラフィー特性に影響する混合モードを示します。

表2.HIC担体に導入されている配位子。
- 目的のタンパク質が高塩濃度条件下で結合しない場合は、より疎水性の高い担体を使用します。目的のタンパク質の結合力が強すぎるために、溶出に非極性添加物が必要な場合は、開始バッファーの塩濃度を下げるか、疎水性の低い担体を使用します。
選択性と溶出
図4および図5は、線形グラジエント様式またはステップワイズ様式でバッファーの塩濃度を下げてタンパク質を溶出させた場合の、最も一般的な分離状態を示しています。UV吸光度と電気伝導度のグラフは、それぞれ、タンパク質溶出のピークと塩濃度の変化を示しています。
サンプル添加、溶出、洗浄、および再平衡化に使用されるバッファー量は、カラム容量(CV)で表されます。たとえば、ベッド容量が1 mLのカラムの場合は5 CV=5 mLとなります。
分離プロファイルをカラム容量で記述すると、手法の開発が容易になり、スケールアップ時の寸法の異なるカラムへの条件移行が楽になります。
グラジエント溶出(図4)は、未知サンプルの分析開始時に、できるだけ多くの成分がカラムに結合した状態で、溶出条件を連続的に変化させて総タンパク質プロファイルを確認するために、また高分離や高分解能解析をおこなう際によく使用されます。

図4.線形グラジエント溶出によるHICの典型的な高分離。
ステップワイズ溶出(図5)にはいくつかの使用法があります。グラジエント溶出を使用してHIC分離が最適化されている場合に、ステップワイズ溶出に変更すると、必要な純度レベルを維持しながら、分離時間の短縮とバッファー消費量の削減ができます。

図5.ステップワイズ溶出による典型的なHIC分離。
ステップワイズ溶出を使用して、複数の目的タンパク質をまとめて濃縮し、不要な物質から迅速に分離することもできます。目的タンパク質は濃縮状態で溶出されます。
ステップワイズ溶出は、汚染物質を除去するために使用される場合もあります。これを行うには、汚染物質の結合を最大化する条件を選択して、目的タンパク質がカラムを素通りできるようにします。カラムの結合容量が汚染物質をすべて結合するのに十分であることを確認する必要があります。
関連製品
続きを確認するには、ログインするか、新規登録が必要です。
アカウントをお持ちではありませんか?